Impact of Reboiler Duty on Treating - Base

Impact of Reboiler Duty on Treating - Base

Instructions



  1. This article contains a series of steps to feed the data to the flowsheet, run the simulation, interpret the results
  2. User can either follow the series of steps mentioned in the article or download the ProTreat file attached to this article, review the inputs and run the simulation  

Simulation Set Up



Objective

  1. The gas that we are going to treat is post combustion flue gas.
  2. Requirement is 95% CO₂ removal in the treated gas.

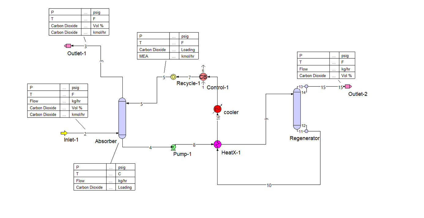
Flowsheet


Inputs

  1. Components:  Carbon dioxide, MEA, Nitrogen, Oxygen, Water

Stream Information(Feed Gas)

  1. Set up a conventional absorber & regenerator loop in ProTreat as shown in the flowsheet
  2. Inputs taken for the exercise 
    1. Gas flow rate: 1,65,000 m³/hr
    2. Temperature : 60 °C
    3. Pressure : 1.03 kg/cm²
    4. Component composition: (CO₂: 17.8%, N₂: 56.5%, O₂: 7.5%, water: 18.2%,  All in mol%) 

Absorber Inputs

  1. Tray type: Generic valve trays 
  2. Number of trays: 20
  3. Tray spacing: 0.6 meters
  4. Number of passes: 2
  5. Weir height: 0.05 meters
  6. Foam derating Factor: 0.8 
  7. Vapor flood & Downcomer flood: 70%
  8. Pressure>>set pressure by feed stream: 2
  9. Connect streams appropriately to absorber based on the flowsheet

Pump-1 Input

  1. Pump>>Outlet Pressure>>3.5 kg/cm²     
  2. Efficiency>>75%

Heat X-1 Input

  1. HeatX-1>> Heat transfer>> Thermal spec>> Shell outlet temperature >> 90 °C
  2. Apply LMTD correction factor>>Let ProTreat calculate

Regenerator  Inputs

  1. Select the check boxes that the column has reboiler and condenser, and has reflux to column (% return is 100%)
  2. Tray type: Generic valve trays 
  3. Number of trays: 20
  4. Tray spacing: 0.6 meters
  5. Number of passes: 2
  6. Weir height: 0.05 meters
  7. Foam derating factor: 0.8 
  8. Vapor flood & Downcomer Flood: 70%
  9. Pressure>>set pressure by feed stream: 9
  10. Connect streams appropriately to absorber based on the flowsheet
  11. Connect feed stream to the top tray in regenerator
  12. Condenser/Reboiler>>Condenser>> Temperature>>40 °C
  13. Condenser>>Pressure Drop>>0 kg/cm² 
  14. Reboiler>> Vapor return line pressure drop>>0 kg/cm²     
  15. Reboiler Steam Flow Ratio>>100 kg steam /std m³
  16. Basis liquid stream for calculation>>Pump inlet stream
  17. Pressure>>3.5 kg/cm²  

Cooler Input

  1. Cooler>>Duty>>Outlet temperature>>35 °C

Amine Inputs in Control Block-1

  1. Stream Flow rate: 2,100 m³/hr
  2. Composition: 30 wt. % MEA
  3. Select method for calculating make up as “Control Block In/ Out Streams”

Stream Information(Recycle block)

  1. Recycle block stream is a tear stream. An educated guess values must be given for the initial calculations to proceed.
  2. Select the preferred components and feed the input data in the respective recycle block.
  3. Recycle flow rate: 1,200 m³/hr
  4. Temperature : 50 °C
  5. Pressure : 1.03 kg/cm²
  6. Composition: (CO₂: 0.01 Loading, MEA: 30 wt. %)
  7. Select water specification as “is remainder (solvent streams only)"

Run Simulation

  1. Run simulation at base case i.e., reboiler steam flow ratio is 100 kg steam /std m³
  2. CO₂ concentration in the treated gas in the base case is 5.17 mol%.
  3. Lean Loading in the base case is 0.29
  4. Initially we considered the reboiler steam flow ratio of 100 kg steam/std m³
  5. Let us study three different steam flow ratios and how it is effecting treating spec.
  6. The three steam flow ratios are 100, 125, 150 kg steam/std m³
  7. Now run the simulation for the remaining two cases and tabulate the reboiler temperatures and lean loadings at different reboiler steam flow ratios

Results & Discussion



Output

  1. Lean Loading and reboiler temperatures at three different steam flow ratios are as follows.
    Steam flow ratio in kg steam/ std m³
    Lean Loading(mol/mol)
    Reboiler Temperature()
    100
    0.29
    133.65
    125
    0.16
    142.35
    150
    0.09
    143.75



Treated gas output

  1. In the three steam flow ratios the target removal is not reached by the first flow ratio i.e.,100 kg steam/std m³ (84 % carbon dioxide removal took place)
  2. In the second case 94% removal took place
  3. In the third case 96% removal took place (over treating)

Regenerator Temperature Profiles at different reboiler steam flow rates


Interpretation

  1. The pattern of temperature profile of the regenerator changes as the steam flow ratio increases from 100 to 150 kg /std m³
  2. Temperature profile shape corresponding to 150 kg steam/std m³ steam flow ratio is significantly different compared to the remaining two profiles
  3. This technically means that at lower reboiler duty ratios such as 100 and 125 kg steam/ std m³ of solvent, the temperature profile is collapsed, and there is not enough steam to regenerate the solvent and make it lean enough to facilitate > 90% removal in the absorber. 

Something to think about

  1. What can be anticipated at the steam flow rate of 200 kg steam/std m³ regarding the regenerator temperature profile? 
  2. Which one is more important to maintain column temperature profile or treating requirement?
  3. For more detailed information about the reboiler duty and temperature profiles visit ___________________






    • Related Articles

    • Impact of Heat Stable Salts on Treating

      Instructions This article contains a series of steps to feed the data to the flowsheet, run the simulation, interpret the results User can either follow the series of steps mentioned in the article or download the ProTreat file attached to this ...
    • Impact of Transport Properties on CO₂ Absorption

      Instructions This article contains a series of steps to feed the data to the flowsheet, run the simulation, interpret the results User can either follow the series of steps mentioned in the article or download the ProTreat file attached to this ...
    • Understanding Temperature and Mass Transfer Pinches (Specifying multiple amines)-Base

      Instructions This article contains a series of steps to feed the data to the flowsheet, run the simulation, interpret the results User can either follow the series of steps mentioned in the article or download the ProTreat file attached to this ...
    • Sour Water Stripping-(Single stage) - Impact of HSS

      Instructions This article contains a series of steps to feed the data to the flowsheet, run the simulation, interpret the results A user can either follow the series of steps mentioned in this article to build the flowsheet, or download the ProTreat ...
    • Sour Water Stripping-(Single stage)

      Instructions This article contains a series of steps to feed the data to the flowsheet, run the simulation, interpret the results A user can either follow the series of steps mentioned in this article to build the flowsheet, or download the ProTreat ...